

| ■ 设计特点 |
|
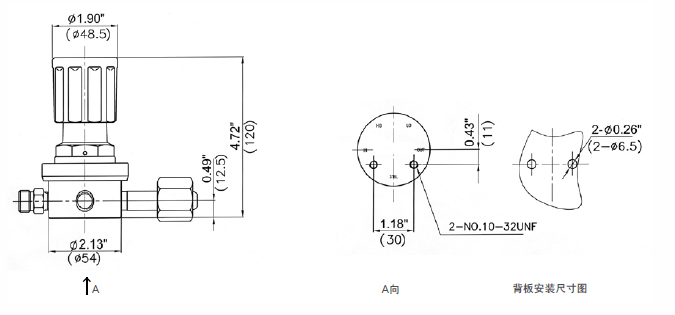
● 单级式减压结构 ● 母体与膜片采用硬密封形式 ● 母体螺纹:1/4" NPT(F) ● 内部结构易吹扫 ● 内设过滤网 ● 可采用面板或墙式安装 |
| ■ 适用范围 |
| ● 实验室 ● 气相色谱仪 ● 气体激光器 ● 气体汇流排 ● 石油化学工业 ● 测试设备 |
| ■ 特性参数 |
|
● 最大输入压力: 500,3000psig ● 输出压力:0~25,0~50,0~100,0~250,0~500psig ● 安全测试压力:1.5倍的最大进气压力 ● 适用温度:-40℉~+165℉(-40℃~+74℃) ● 泄漏率:2x10-8 atm cc/sec He ● CV值:0.08 ● 重量: 0.9kg |