|
首页
关于我们
产品展示
工程案例
新闻中心
招贤纳士
联系我们
产品分类
压力调节装置
减压器
减压阀
调压阀
背压阀
附件
供气系统产品
汇流排
气体控制面板
气体控制终端
气体切换系统
特气汇流排附件
气体阀门产品
针阀
球阀
瓶阀
表阀
接头
单向阀
泄压阀
计量阀
阀组
膜片阀
低温系统
工业气体产品
气体减压器
汇流排系统
气体配比器
气体报警器
气源分配器
气体终端箱
脉动阻尼器
弯管器
压力表产品
耐震不锈钢压力表
耐震电接点压力表
耐震隔膜压力表
耐震远传压力表
普通耐震压力表
数字压力表
卫生级阀门产品
球阀
蝶阀
角座阀
隔膜阀
安全阀
止回阀
旋塞阀
放料阀
恒压阀
疏水阀
调节阀
真空阀
排水阀
取样阀
附件
液化石油气产品
气化器
调压器
报警器
电磁阀
取样器
取样钢瓶
附件
发生器产品
气体发生器
次氯酸发生器
蒸气发生器
自动化仪表产品
流量计
压力表
液位计
压力开关
压力变送器
不锈钢管
不锈BA钢管
不锈钢气缸管
不锈钢仪表管
不锈钢高压管
卫生级不锈钢管
联系我们
全国咨询热线:
0571-85167601
公司:浙江掌泰阀业股份有限公司
传真:0571-82757589
邮箱:saftec@163.com
地址:浙江省杭州市滨江区西兴街道楚天路工业园123号
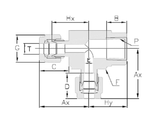
卡套接头
FRT系列内螺纹直三通
特点
安装尺寸图
订购指南