

ZTR788-50大流量减压阀,膜片减压结构,输出压力稳定,适用于大流量输出需求的场合,工业气体,标准气体,高纯气体等
单级式减压结构
膜片采用尼龙与丁腈橡胶双层形式
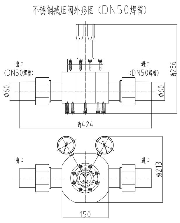
母体螺纹: 进出气接口2"NPT(F);压力表接口1/4"NPT(F)
可采用面板或墙式安装
母体 Body: SS316L,SS304
上盖 Bonnet: SS316L,SS304
阀座 Valve seat: 丁腈橡胶
膜片 Diaphragm: 丁腈橡胶(内衬尼龙),PTFE
最大输入压力 Inlet pressure max: 700psig,500psig
输出压力 Outlet pressure: 0~25psig, 0~50psig,0~100psig, 0~125psig, 0~250psig
安全测试压力 Proof pressure: 1.5倍的最大输入压力
适用温度 Operating temperature: -10°F~+250°F(-23°C~+121°C)
泄漏率 Leak rate: 泡沫测试
CV: 9.1
重量 Weight: 13kg
母体 Body: SS316L,SS304
上盖 Bonnet: SS316L,SS304
阀座 Valve seat: 丁腈橡胶
膜片 Diaphragm: 丁腈橡胶(内衬尼龙),PTFE
|
EX:R78 |
L |
B |
F |
G |
G |
0 6 |
0 6 |
P |
|
系列号 |
母体材质 |
母体孔位 |
输入压力 |
输出压力 |
压力表 |
进气形式 |
出气形式 |
选项 |
|
R78 |
L:316L SS304 |
A |
A:700psig |
G:0-350psig |
G:附压力表 |
06:2" NPT(F) |
06:2" NPT(F) |
P:面板 |
|
|
|
B |
B:500psig |
I:0-250psig |
(MPa) |
07:2" NPT(M) |
07:2" NPT(M) |
|
|
|
|
G |
F:250psig |
K:0-160psig |
P:附压力表 |
08:DN50焊接 |
08:DN25焊接 |
|
|
|
|
|
I:250 psig |
L:0-50psig |
(psig/bar) |
09:DN50法兰 |
09:DN50法兰 |
|
|
|
|
|
|
F:25psig |
W:无压力表 |
其它形式接头可供选择 |
其它形式接头可供选择 |
|