

一、用途
ZTR261型系列不锈钢过滤减压器是气动仪表的辅助装置之一。将来自空气压缩机0.3~1Mpa的空气压力,氮气,经过滤净化后,可调节在0~0.16;0~0.25;0~0.4;0~0.6Mpa范围内任一输出压力值,保持稳定。作为各类气动自动装置的气源自动装置的气源压力提供给单元以及其他气动设备的附属装置。
|
■ 设计特点 |
|
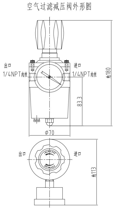
● 膜片减压结构 ● 母体螺纹:1/4" NPT(F) ● 内设过滤网 ● 可采用面板式或墙式安装 |
|
■ 适用范围 |
|
● 实验室 ● 分析测试 ● 空气管道控制 ● 空压系统装置 ● 测试设备 |
|
■ 特性参数 |
|
● 最大输入压力: 160pisg,500pisg ● 输出压力:0~25,0~50,0~100psig |
工作原理
ZTR261型系列空气过滤减压器是按力平衡原理设计的。当来自空气压缩机的气压接到输入端后,进入过滤气室(A)进行除水、油、尘外理。由于给定弹簧(3)产生的力将球阀(7)推开,从而气流经球阀流入输出管道,并通过反馈导管进入反馈气室(B),此时气压作用在管进入反馈气室(B),此时气压作用在膜片(5)上的力与给定弹簧的力达到平衡。但由于输出压力受负载流量变化的影响,出现输出压力高于或低于给定值。如输出压力低于给定值,则膜片(5)上的力与给定弹簧的力失去平衡,膜片向下位移,使球阀(7)的开度较原来更大些,进行气压补偿。如输出压力高于给定值,则膜片(5)上的力与给定弹簧的力又失去平衡,膜片向上位移,些时阀杆(10)和膜片硬蕊(11)离开,气压由小孔放入大气,最后达到平衡为止,因而输出压力一直能稳定在所需给定值上。
|
系列 |
ZTR261 |
|
母体 |
SS316L,SS304 |
|
上盖 |
300 Series stainless steel |
|
垫片 |
PCTFE |
|
阀杆 |
SS316L,SS304 |
|
膜片 |
丁晴橡胶 |
|
型号 项目 |
ZTR261 |
ZTR262 |
ZTR263 |
ZTR213 |
ZTR221 |
ZTR222 |
ZTR223 |
ZTR231 |
ZTR241 |
ZTR243 |
ZTR261 |
ZTR263 |
||
|
气源压力 (MPa) |
0.3~0.7 |
0.4~0.7 |
0.5~1.0 |
0.7~1.0 |
||||||||||
|
最大输出压力 (MPa) |
0.16 |
0.25 |
0.3 |
0.4 |
0.6 |
|||||||||
|
最大输出流量 (m3/h) |
3 |
12 |
40 |
3 |
12 |
40 |
3 |
40 |
3 |
40 |
||||
|
接管内螺纹 |
1/4NPT |
1/2NPT |
3/4NPT |
M10×1 |
G1/2” |
1NPT” |
M10×1 |
1NPT” |
M10×1 |
1NPT” |
||||
|
安装 尺寸 |
安装螺孔 中心距 mm |
M6 |
—— |
M6 |
—— |
M6 |
M6 |
|||||||
|
25 |
—— |
25 |
—— |
25 |
25 |
|||||||||
|
外形尺寸 (ΦF×Hmm) |
Φ65 ×165 |
Φ70 ×165 |
Φ120 ×240 |
Φ120 ×240 |
Φ70 ×165 |
Φ120 ×240 |
Φ120 ×240 |
Φ70 ×165 |
Φ120 ×240 |
Φ70 ×165 |
Φ120 ×240 |
|||