

ZTR12不锈钢减压阀,采用膜片减压结构,出口压力稳定,适用于纯净液体,腐蚀性液体,水,油品等。
|
■ 设计特点 |
|
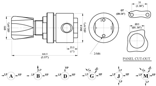
● 膜片减压结构 ● 母体螺纹:1/2" NPT(F) ● 内设过滤网 ● 可采用面板式或墙式安装 |
|
■ 适用范围 |
|
● 实验室 ● 气体分析测试 ● 流程控制 ● 气体汇流排 ● 测试设备 |
|
■ 特性参数 |
|
● 最大输入压力: 500pis ,250,100,50psig, ● 输出压力:0~25,0~50,0~100,0~250psig |

|
■ 材质 |
||||||||||||
|
|
■ 订购指南 |
||||||||||||||||||||||||||||||||||||||||||||||||||||||||||||||||||||||||||||||||||||||||||||||||||||
|
||||||||||||||||||||||||||||||||||||||||||||||||||||||||||||||||||||||||||||||||||||||||||||||||||||